產品介紹
TDS-DYI SHENG 3/4" 不鏽鋼 316 氣動雙隔膜泵浦,兼具卓越耐腐蝕性能與中高流量傳輸能力。專為化工、製藥及食品工業設計,適用於酸鹼性液體、高純度液體及敏感物質的安全輸送,確保高效穩定運作。
膜片:
| 材質 | 適用溫度範圍 |
| UPE (U) | +5 to +50°C |
| TFM (T) | -30 to +130°C |
| Stantoprene ® (O) | 0 to + 80°C |
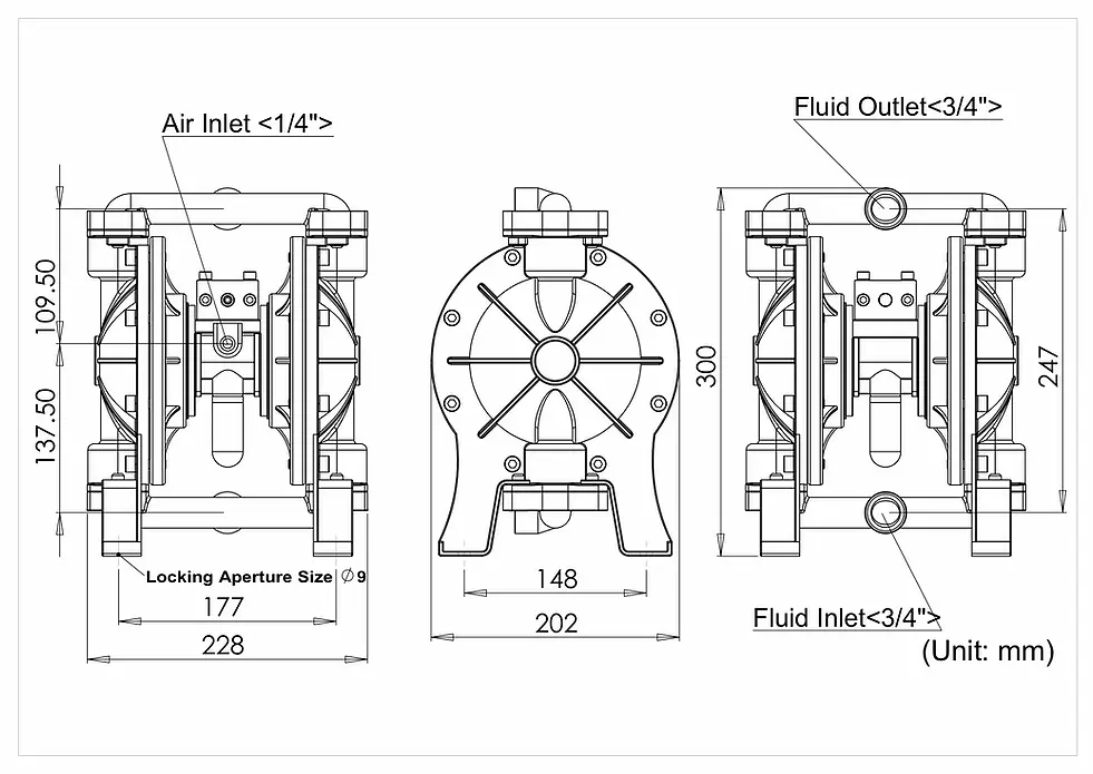
規格:
| 流體出入口口徑 | 3/4” PT(BSP) |
| 氣體入口口徑 | 1/4” PT(BSP) |
| 氣體出口口徑 | 3/8” PT(BSP) |
| 最低工作壓力 | 0.5 Bar(kgf/cm²) ; 7.25psi |
| 最大工作壓力 | 8.0 Bar(kgf/cm²) ; 116psi |
| 常用工作壓力 | 1.5~5 Bar(kgf/cm²) ; 21.75psi~72.5psi |
| 平均吐出量 | 310ml/cycle |
| 流體最大容許顆粒 | ⌀2.4mm |
| 最大氣體流耗量 | 750Liter/Per Min.;26.49 Scfm/Per Min |
| 最大入口垂直揚程 | 6.7 m |
| 裝箱尺寸 | 26(L)cm x 24(W)cm x 35(H)cm |
| 總重 | 11.5 KG |
| 最大流量 | 22.45 Gallon/Per Min. ; 85 Liter/Per Min. |
| 適用流體 | 可適用於幾乎所有鹼性液體及大部分酸性液體,例如乙二醇、乙醇、氫氧化鈉、硝酸、碳酸、水果酸、酶、苛性鈉、氨水和瀝青,亦可應用於酒類、食品醬汁、糖漿等部分食用原料之輸送,但必須定期清潔。但不適用於稀硫酸、鹽酸、溴化氫、王水、 氯氣等部分特殊液體。可應用於製藥工業、食品工業、化學工業等。 |
➤產品特點與優勢
氣動雙隔膜泵浦具有與其他幫浦不同的獨特優勢,包括多功能性、安全性和便攜性。在電子、石化、環保、食品等各產業中,氣動雙隔膜幫浦的應用佔據領先地位。
- 可在易燃易爆環境中安全使用。
- 無需電力驅動,並可完全接地以確保安全。
- 能夠處理含有固體的流體。
- 能夠處理含有黏度的流體。
- 耐剪切力,不影響輸送物料的完整性。
- 可乾轉,且不會損壞泵浦或系統。
- 確保100%無失速工作效率。
- 適用於輸送腐蝕性和磨蝕性物質。
- 管道堵塞不會導致負載過大、過熱或爆炸。
- 易於移動和安裝。
- 維護成本低。
- 相較於其他技術,具有較低的初始購置成本。
- 保固期為一年。
➤產品認證
迪晟是台灣氣動雙隔膜泵浦專業製造商,專注於產品的研究與開發,現已擁有CE、ATEX、ISO9001品質認證、D-U-N-S鄧白氏企業認證。我們以品質第一、服務至上、技術創新、誠信踏實為企業經營原則。
